Tổng quan về Cút vuông 90 độ BKVN
Cút vuông 90 độ BKVN là phụ kiện của ống gió vuông được sử dụng phổ biến trong các hệ thống ống gió trong các công trình, dùng để chuyển hướng đi của các đường ống gió cấp, ống hồi… Tùy theo nhu cầu, co vuông 90 độ được thiết kế với nhiều kích thước khác nhau để phù hợp với từng hệ thống đường ống.
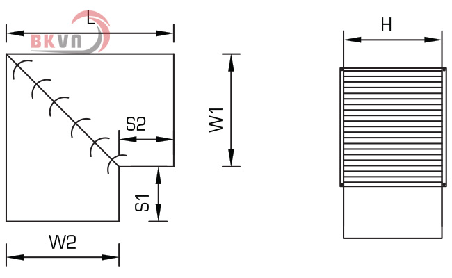
Đặc điểm cấu tạo
Cút 90* có hình dáng là một thiết kế chữ L, bẻ góc vuông nhọn để dẫn luồng khí theo hướng vuông góc.
Vật liệu sử dụng chính của BKVN là tôn mạ kẽm hoặc inox 304/201. Độ dày từ 0,48mm-1,2mm với 3 kiểu kết nối chính: Bích TDC/TDF, bích V hoặc nẹp C.

Thông số kỹ thuật
Khi đặt hàng tại BKVN, bạn cần ghi nhớ các thông số kỹ thuật sau:
Mã đặt hàng: CVV-W1XH1/W2XH2/L, trong đó:
- W1, W2: chiều rộng mặt cắt cút ống
- L: Chiều dài cút
- H: Chiều cao cút vuông
- S1, S2: Chiều dài trong
- C: Cánh hướng dòng (nếu có)
Các ưu điểm của cút vuông 90 độ
- Tránh va chạm với các hệ thống trong tòa nhà, nhà xưởng, nhà máy… trong quá trình lắp đặt và chuyển hướng hệ thống ống gió dễ dàng.
- Chuyển hướng linh hoạt: cút vuông 90 độ giúp luồng gió bẻ cua 90 độ cực mượt, giải quyết gọn gàng các góc chết và không gian hẹp trong hệ thống thông gió công trình.
- Độ bền thách thức thời gian: gia công từ tôn mạ kẽm cao cấp, chống han rỉ và ăn mòn siêu tốt dưới mọi điều kiện khắc nghiệt.
- Tiết kiệm công sức lắp đặt: thiết kế các mí ghép và mặt bích chuẩn đét, thợ thuyền chỉ cần ốp vào hệ thống ống gió thẳng là kín khít, thi công cực kỳ nhanh gọn lẹ.
- Chịu áp lực tốt: kết cấu vuông vức, cứng cáp đảm bảo không bị móp méo hay rung lắc khi vận hành hệ thống thông gió công suất lớn cho nhà xưởng hay tòa nhà cao tầng.
- Chuyển đổi ống gió vuông khác kích thước: Co vuông 90 độ giúp chuyển đổi mượt mà khi 2 đầu là 2 ống gió vuông có kích thước khác nhau.

Nhược điểm co vuông 90 độ
- Vì hình dáng vuông vức nên điểm của 90 độ có tỷ lệ gây tổn thất áp suất cao hơn so với cút tròn. dòng khí dễ bị xoáy quẩn.
- Tiếng ồn cao hơn nếu không có cánh hướng dòng.
- Thi công và sản xuất đòi hỏi kỹ thuật lấy dấu và ghép mí chính xác hơn.
Ứng dụng của cút vuông 90 độ
Sản phẩm thường có mặt trong:
- Hệ thống tăng áp cầu thang, hút khói hàng lang (PCCC).
- Hệ thống cấp khí tươi và điều hòa cho chung cư, nhà máy, xưởng sản xuất, văn phòng làm việc.
- Dẫn gió trong các không gian có trần thạch cao thấp.
Đặt hàng cút vuông 90 độ ở đâu Hà Nội?
Với những ưu điểm vượt trội, cút vuông 90 độ BKVN rất được khách hàng yêu thích. Tìm được cơ sở sản xuất gia công không khó nhưng tìm được địa chỉ bán co vuông 90 độ chất lượng luôn là vấn đề phải lưu tâm.
Công ty Cổ phần Vật tư Thiết bị Bách Khoa Việt Nam với dây chuyền máy móc hiện đại cùng với kinh nghiệm lâu năm trong sản xuất ống gió, van gió, cửa gió, cửa thép chống cháy và thang máng cáp. Chúng tôi luôn cam kết:
- Cung cấp sản phẩm với chất lượng tốt nhất
- Rất nhiều các mẫu mã, kích thước, vật liệu
- Bảo hành hoạt động tốt trong vòng 12 – 36 tháng
- Cung cấp thang cáp giá hợp lý nhất thị trường
Thông tin liên hệ:
Công ty CP Vật tư Thiết bị Bách Khoa Việt Nam
-
- Địa chỉ: Khu Đô Thị Geleximco, Phường Tây Mỗ, TP. Hà Nội
- Hotline: 0967.50.50.30 (Hà Nội) – 0931.468.833 (TP.HCM)
- CSKH 24/7: 0988.750.570
- Email: baogia@bkvietnam.vn
- Website: www.bkvietnam.vn
- Cụm Nhà máy phía Bắc: Bùi Trám, Xã Lương Sơn, Tỉnh Phú Thọ
- Nhà máy phía Nam: Khu Phố 8, Phường Tân Uyên, TP.Hồ Chí Minh










Đánh giá
Chưa có đánh giá nào.